Il **[[Macchina asincrona|motore asincrono]] monofase** utilizza un unico avvolgimento statorico per generare un **campo magnetico pulsante.**
A differenza dei sistemi trifase, questa configurazione non è in grado di generare autonomamente un [[Campo magnetico rotante|campo magnetico rotante]] all'avviamento, rendendo necessari dispositivi ausiliari per lo spunto iniziale.
#### Principio di Funzionamento
In un motore monofase, l'avvolgimento di statore produce un campo magnetico pulsante diretto lungo l'asse dell'avvolgimento $\hat{a}_{S}$.
Secondo il **teorema di Leblanc**, un campo pulsante può essere scomposto nella somma di due campi magnetici rotanti di ampiezza pari alla metà del valore massimo, che ruotano a [[Macchina sincrona#Velocità di sincronismo|velocità di sincronismo]] $n_S$ in direzioni opposte: uno in senso **diretto** (antiorario) e uno in senso **inverso** (orario).
![[Pasted image 20250922111904.png]]
Il rotore, tipicamente realizzato a **[[Macchina asincrona|gabbia di scoiattolo]]**, percepisce entrambi i campi. Se il rotore è fermo, le due coppie generate dai campi sono uguali e opposte, risultando in una coppia totale nulla. Tuttavia, se viene impressa una rotazione iniziale, si generano due diversi valori di scorrimento:
- **Scorrimento diretto ($s_d$):** $s_d = \frac{n_S - n_m}{n_S}$
- **Scorrimento inverso ($s_i$):** $s_i = \frac{-n_S - n_m}{-n_S}$
dove $n_m$ è la velocità meccanica del rotore.
Confrontando le due relazioni si ottiene:
$ \color {green}s_i=2-s_d $
==I due scorrimenti sono diversi, per cui si genera una coppia meccanica che mette in rotazione il rotore.==
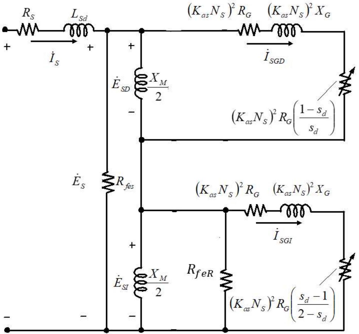
### Rete Equivalente
La [[Circuito equivalente della macchina asincrona|rete equivalente]] del motore monofase riflette la scomposizione del campo magnetico. Il circuito si divide in due rami rotorici posti in serie: uno dedicato al campo diretto e uno al campo inverso.
Nel ramo relativo al campo inverso, è fondamentale considerare le perdite addizionali nel nucleo rotorico. *Queste sono causate dall'elevata frequenza delle correnti indotte dal campo controrotante, dato che lo scorrimento $s_i$ è prossimo a 2 durante il normale funzionamento.*

### Caratteristica meccanica e coppia
La coppia risultante $C$ è la somma algebrica della coppia diretta $C_D$ e della coppia inversa $C_I$.
Utilizzando la relazione per la [[Caratteristiche della macchina asincrona#Coppia Elettromagnetica|coppia elettromagnetica della macchina asincrona]] nel caso di rotore a gabbia, ed esplicitandola per i due termini, si ottiene:
$\color {green} C = C_{D} + C_{I} = \frac{p n_{b} R_{G}}{2 \omega K_{as}^{2} N_{S}^{2}} \left[ \frac{E_{SD}^{2}}{\frac{R_{G}^{2}}{s_{d}} + s_{d} X_{G}^{2}} - \frac{E_{SI}^{2}}{\frac{R_{G}^{2}}{2-s_{d}} + (2-s_{d}) X_{G}^{2}} \right]$
Quando il rotore è in movimento, la coppia del campo concorde prevale su quella del campo opposto, permettendo alla macchina di mantenere la rotazione e raggiungere il punto di equilibrio con la coppia resistente del carico.

#### Tecniche di Avviamento
Per superare l'assenza di coppia allo spunto ($n_m = 0$), si utilizza un **avvolgimento ausiliario** sfasato spazialmente di $\pi/2$ rispetto al principale. L'obiettivo è creare un sistema di correnti sfasate nel tempo per simulare un **[[Campo magnetico rotante]]**.
Il sistema di correnti tra avvolgimento primario $(i_s)$ e avvolgimento ausiliario ($i_a$) sarà quindi:
$
\left\{\begin{array}{l}
i_{S}=I_{S M} \operatorname{sen}\left(\omega t-\psi_{S}\right) \\
i_{a}=I_{S M} \operatorname{sen}\left(\omega t+\frac{\pi}{2}-\psi_{S}\right)
\end{array}\right.
$

Esistono due metodi principali per ottenere questo sfasamento partendo da un'unica fase:
1. Avviamento a resistenza
2. Avviamento a condensatore
*In entrambi i casi, una volta avviato il motore, l'avvolgimento ausiliario può essere disconnesso tramite un interruttore per evitare surriscaldamenti e perdite inutili; inoltre questo permette di costruire l'avvolgimento ausiliario con un filo di dimensioni ridotte, non essendo sempre in funzionamento.*

##### Avviamento a resistenza
Si inserisce una resistenza in serie all'avvolgimento ausiliario (creando un [[Circuito RL|circuito RL]] con parametri diversi dal principale). La corrente $I_a$ risulta più in fase con la tensione rispetto a $I_s$, generando una coppia di spunto sufficiente.
![[Pasted image 20250922112404.png]]
##### Avviamento a Condensatore
Si inserisce un condensatore in serie (configurazione [[Circuito RC|circuito RC]]), di conseguenza la corrente che attraversa l'avvolgimento ausiliario risulterà in anticipo rispetto alla tensione.
Questo metodo è il più diffuso poiché permette di ottenere uno sfasamento vicino ai $90^\circ$ ottimali, garantendo una coppia di spunto molto elevata.
![[Pasted image 20250922112503.png]]
#### Confronto delle prestazioni
L'andamento della coppia varia significativamente in base al metodo scelto:
- **Curva a**: avviamento con condensatore (coppia massima)
- **Curva b**: avviamento con resistenza
- **Curva c**: funzionamento a regime senza avvolgimento ausiliario (coppia nulla a velocità zero)

Guardando il grafico è evidente che ==l'utilizzo del condensatore è la soluzione più diffusa in quanto fornisce una coppia allo spunto maggiore.==
##### Domande di teoria
**Rispondere alle seguenti domande specifiche:**
- [ ] Funzionamento
- [ ] Circuito equivalente
- [ ] Caratteristica della coppia
*Consultare le risorse selezionate in fondo alla nota per soluzioni e approfondimenti.*
---
> [!info]- Resources
> ![[!Elettrotecnica#Risorse#Bibliografia]]
> ![[!Elettrotecnica#Risorse#Approfondimenti]]
---
> [!example] Playlist
> ![[!Elettrotecnica#Risorse#Motore asincrono monofase]]