Il **motore elettrico universale** (o **motore a collettore con eccitazione in serie**) è una [[Macchine elettriche|macchina elettrica]] rotante in grado di funzionare sia in corrente continua che in [[Grandezze alternative|corrente alternata]]. Costruttivamente simile a un motore DC in serie, presenta uno statore a lamierini per minimizzare le perdite magnetiche ed è ampiamente impiegato in elettrodomestici ed elettroutensili per la sua elevata coppia di spunto e compattezza.
### Architettura
A differenza della classica [[Macchina in corrente continua (DC)|macchina in corrente continua]], lo statore del motore universale non è massiccio ma è realizzato con un pacco di lamierini magnetici isolati tra loro. Questa accortezza costruttiva è fondamentale: essendo alimentato in corrente alternata, il circuito magnetico è soggetto a un flusso variabile nel tempo che, in un nucleo solido, genererebbe correnti parassite inaccettabili, causando surriscaldamento e crollo del rendimento.

*Sezione schematica di un motore universale a due poli.*
### Modello teorico e funzionamento
Il modello teorico di questa macchina è una generalizzazione di quello della [[Macchina DC con eccitazione in serie]].
Considerando una spira dell'indotto in rotazione con pulsazione meccanica $\omega = \frac{\pi n}{30}$, la forza elettromotrice (f.e.m.) indotta si ricava dalla [[Legge di Faraday-Henry-Lenz|legge di Faraday]].
Poiché il flusso concatenato $\varphi_{ii'}$ dipende sia dal tempo $t$ che dalla posizione angolare $\vartheta$, la f.e.m. istantanea presenta due componenti, calcolabili applicando la regola della [[Derivata|derivata]] di una funzione composta:
$e = \frac{d \varphi_{ii'}}{dt} = \frac{\partial \varphi_{ii'}}{\partial t} + \omega \frac{\partial \varphi_{ii'}}{\partial \vartheta}$
1. **Componente trasformatorica** ($\frac{\partial \varphi_{ii'}}{\partial t}$): dovuta alla variazione del flusso nel tempo, indipendente dalla rotazione del rotore.
2. **Componente motorica** ($\omega \frac{\partial \varphi_{ii'}}{\partial \vartheta}$): dovuta al moto del rotore all'interno del campo magnetico.
Nella configurazione geometrica reale della macchina a collettore, l'accoppiamento magnetico di tipo trasformatorico tra l'avvolgimento di eccitazione e quello di indotto è mediamente nullo, poiché le linee di campo induttore sono perpendicolari agli assi magnetici delle spire rotoriche. Calcolando il valore medio alle spazzole tramite un [[Integrale alla Riemann|integrale]] definito su mezzo periodo spaziale, si ottiene una f.e.m. dipendente solo dalla velocità $n$ e dal flusso massimo $\varphi$:
$\color {green} e_0 = \frac{N_c n}{60} \varphi$
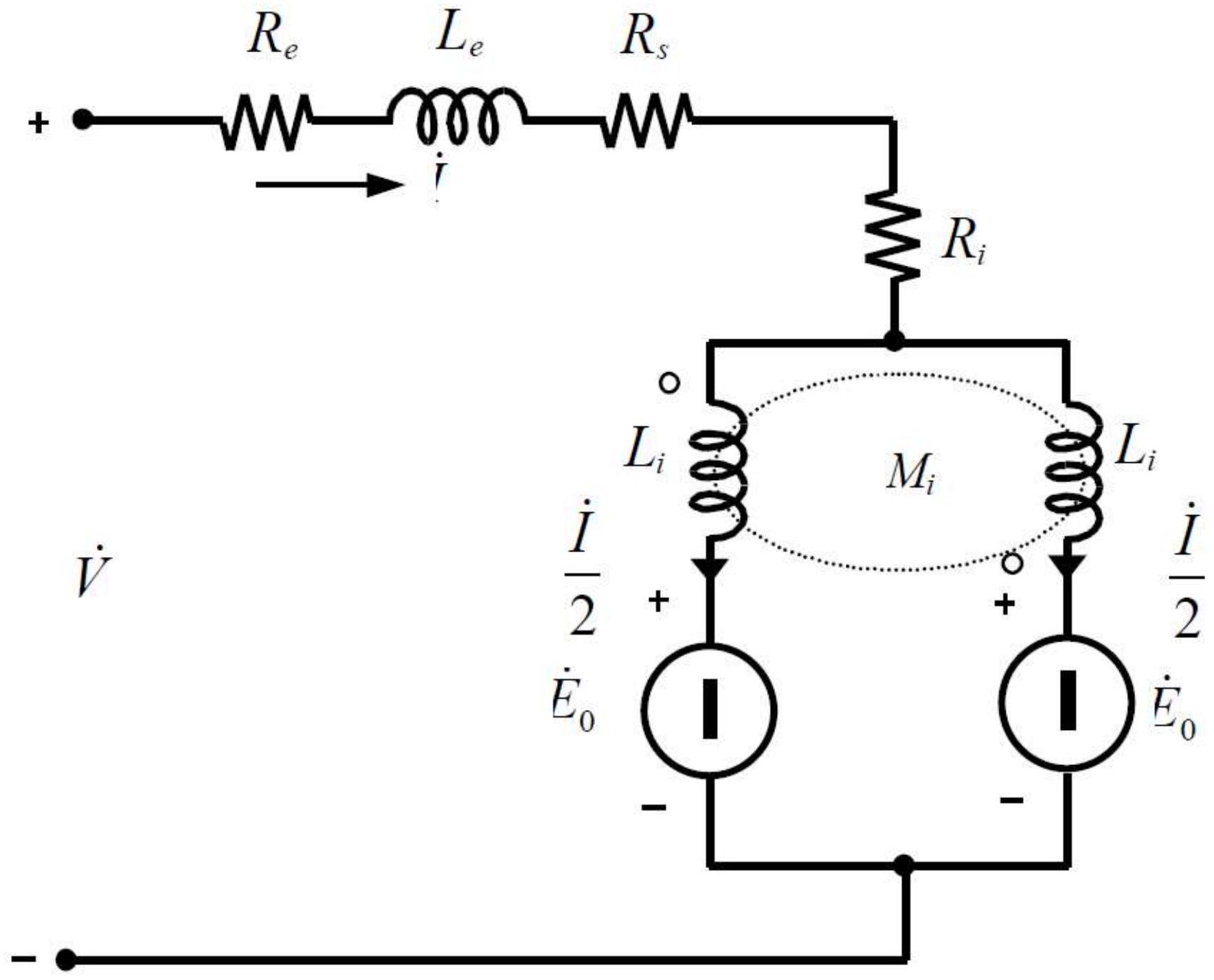
### Rete Equivalente
Ipotizzando un [[AC Reti elettriche in corrente alternata|andamento sinusoidale]] per tensioni, correnti e flussi, è possibile studiare la macchina a regime nel dominio della frequenza utilizzando i [[Fasori|fasori]].

*Rete equivalente simbolica del motore universale.*
Applicando le [[Leggi di Kirchhoff]] alla maglia, l'equazione di equilibrio elettrico risulta:
$\color {green} \dot{V} = (R_e + R_s + R_i)\dot{I} + j\omega L_e \dot{I} + j\omega(L_i - M_i)\frac{\dot{I}}{2} + \dot{E}_0$
Dove:
- $\dot{E}_0 = \frac{N_c n}{60} \dot{\phi}_M$ è il fasore della f.e.m. rotazionale.
- I termini moltiplicati per $j\omega$ rappresentano le cadute di tensione reattive dovute alle induttanze proprie ($L_e, L_i$) e mutue ($M_i$) degli avvolgimenti.
#### Coppia Motrice e Caratteristica Meccanica
L'espressione della coppia motrice istantanea è data dal rapporto tra la potenza elettrica convertita e la velocità angolare meccanica:
$\color {green} C(t) = \frac{e_0 i}{\omega}$
Alimentando il motore in alternata, la corrente e il flusso (essendo in serie) pulsano in fase. Il prodotto di due grandezze sinusoidali isofrequenziali genera una coppia composta da due termini:
1. Una **componente pulsante** a frequenza doppia rispetto a quella della rete di alimentazione. Questa è la causa principale delle notevoli vibrazioni e dell'elevata rumorosità tipiche di questi motori.
2. Una **componente media costante**, che fornisce l'effettiva trazione meccanica all'albero, pari a:
$\color {green}C = \frac{N_c n \phi_M I}{120}$
La caratteristica meccanica (velocità in funzione della coppia) mantiene un andamento decrescente molto simile a quello della variante in corrente continua, garantendo ottime prestazioni di spunto.

*Caratteristica meccanica sperimentale del motore universale alimentato in AC.*
##### Domande di teoria
**Rispondere alle seguenti domande specifiche:**
- [ ] Cosa cambia tra il motore universale e una classica macchina in corrente continua? Disegna la sezione e i particolari costruttivi della macchina
- [ ] Disegna la rete equivalente
- [ ] Ricava la curva caratteristica meccanica della macchina
- [ ] Caratteristica esterna: V(I)
- [ ] Caratteristica elettromeccanica della velocità: n(I)
- [ ] Caratteristica elettromeccanica della coppia: C(I)
- [ ] Caratteristica meccanica: n(C)
*Consultare le risorse consigliate in fondo alla nota per soluzioni e approfondimenti.*
---
> [!info]- Resources
> ![[!Elettrotecnica#Risorse#Bibliografia]]
> ![[!Elettrotecnica#Risorse#Approfondimenti]]