I [[Trasformatori]], date le loro caratteristiche ed equazioni fondamentali, possono essere utilizzati per varie applicazioni di misura:
- Misura della tensione --> Trasformatore voltmetrico
- Misura della corrente in una linea --> Trasformatore amperometrico
- Misura della [[Potenza elettrica]] --> si ottiene mettendo in serie i due trasformatori di sopra
#### TRASFORMATORE VOLTMETRICO
Il trasformatore voltmetrico (indicato con la sigla TV) si utilizza per misurare tensioni elettriche molto elevate, superiori al fondo scala del Voltmetro da utilizzare. *Serve anche per mantenere in sicurezza cose e persone rispetto a linee ad alta tensione.*

Il Voltmetro ha una impedenza interna molto grande, dell'ordine dei $\mathrm{M} \Omega$, per cui il TV **lavora a vuoto.**
$\mathrm{V}_{20}$ è la tensione misurata dal voltmetro, da questa si può risalire a $\mathrm{V}_{1}$ attraverso il rapporto di trasformazione.
Per cui:
$\color {green}
\tau_V=\frac{V_{1}}{V_{20}} \cong \frac{N_{1}}{N_{2}}$
#### TRASFORMATORE AMPEROMETRICO
Il trasformatore amperometrico (indicato con la sigla TA) si utilizza per misurare correnti elettriche molto elevate, superiori al fondo scala dell'Amperometro da utilizzare. *Serve anche per mantenere in sicurezza cose e persone rispetto a linee ad alta tensione.*

L'Amperometro ha una impedenza interna molto piccola, dell'ordine dei $\mathrm{m} \Omega$, per cui il TA **lavora in corto circuito.**
$I_2$ è la corrente misurata dall'amperometro, da questa si può risalire a $I_1$ attraverso il rapporto di trasformazione.
Per cui:
$ \color {green}
\frac{1}{\tau_A} \cong \frac{I_{1}}{I_{2}} \cong \frac{N_{2}}{N_{1}}
$
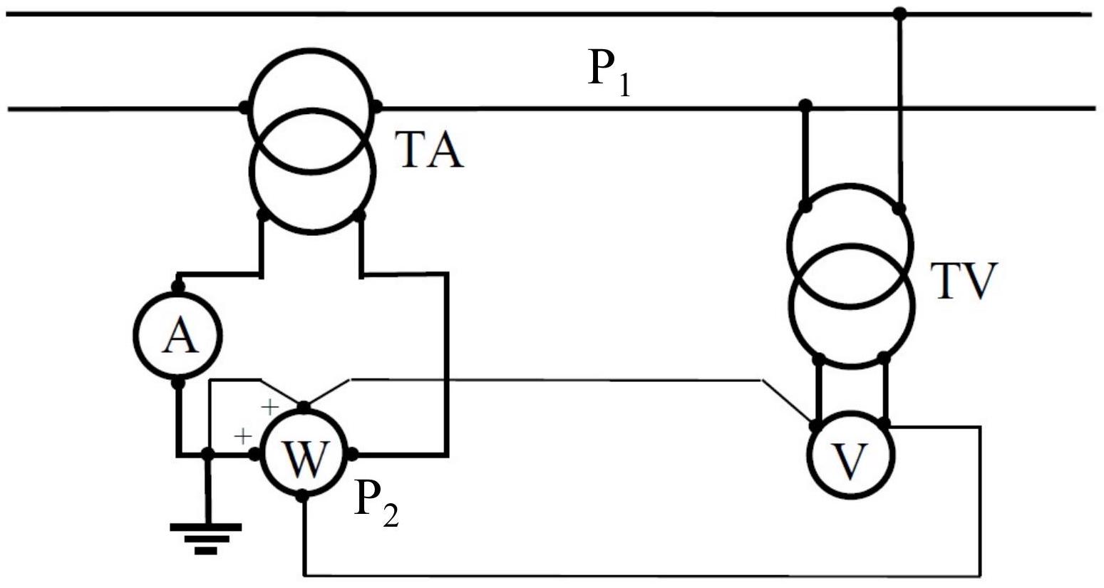
#### MISURA DELLA POTENZA ELETTRICA
Nel caso sia richiesta la misura di potenza su di una linea con tensione e corrente elevata è possibile utilizzare sia il TV che il TA abbinati ad un Wattmetro.

La potenza che transita sulla line è ricavabile attraverso i rapporti di trasformazione dei due trasformatori di misura.
Considerando che lo sfasamento tra tensione e corrente rimanga invariato nel passaggio tra primario e secondario dei due trasformatori, e sostituendo le tensioni e correnti ricavate con i rispettivi trasformatori di misura, si ottiene:
$\color {green}
P_{1}=V_{1} I_{1} \cos \varphi=\tau_{V} V_{2} \frac{I_{2}}{\tau_{A}} \cos \varphi=\frac{\tau_{V}}{\tau_{A}} P_{2}
$
##### Domande di teoria
**Rispondere alle seguenti domande specifiche:**
- [ ] Cosa sono i trasformatori di misura e cosa permettono di fare
- [ ] Disegna lo schema delle varie tipologie e ricava le relazioni principali per il metodo di misura delle grandezze elettriche
*Consultare le risorse selezionate in fondo alla nota per soluzioni e approfondimenti.*
---
> [!info]- Resources
> ![[!Elettrotecnica#Risorse#Bibliografia]]
> ![[!Elettrotecnica#Risorse#Approfondimenti]]